Menu
- Kup Więcej, Zaoszczędź
- Promocje
- Nowości !!!
- Świąteczne
- Organizacja pracy groomera
- Akcesoria dla groomera
- Cążki, kleszcze, pęsety, pilniki
- Dezynfekcja sterylizacja
- Dla pupila
- Dla koni
- Filcak trymer zgrzebło furminator
- Grzebienie, Szczotki
- Karma dla psów i kotów
- Kokardki, gumki, bandamy, krawaty
-
Kosmetyki dla psów i kotów
-
SZUKAJ WEDŁUG PRODUCENTA
- Always Your Friend
- Ambel
- Artero
- Beeps
- Best Shot
- Bio-groom
- Bubbles
- Charme
- Davis
- Double K
- Groom Professional
- Hydra Groomers
- Hyponic
- Iv San Bernard
- Magie Di Angelica
- Megamazon
- Melanie Newman
- Micromed
- Nature's Specialites
- Pet Esthe
- PetSociety
- Secret Weapon
- Selecta
- Show Season
- Show Tech+
- Soft Care
- VetlQ
- Vetfood
- Wahl
-
Szampony
- Do białej, jasnej sierści
- Do ciemnej sierści
- Do sierści długiej
- Do sierści szorstkowłosej
- Do sierści bardzo brudnej
- Objętościowe
- Dla kotów
- Dla wrażliwców hipoalergiczne
- Dla szczeniąt
- Nabłyszczające
- Rozkołtuniające
- Na podszerstek
- Nawilżające
- Szampony uniwersalne do pierwszego mycia
- Na sucho
- Lecznicze
- Pianki do mycia
- Odżywki
-
Maski, błota
- Kosmetyki higieniczne
- Kredy, pudry
- Pozostałe kosmetyki
-
Zestawy kosmetyków
-
Butelki i pompki do galonów
-
Pozostałe akcesoria do kąpieli
-
SZUKAJ WEDŁUG PRODUCENTA
- Kreatywny grooming
- Krzesła, szafki groomerskie
- Klatki
- Maszynki do strzyżenia
- Maszynki do strzyżenia owiec alpak
- Maszynki do strzyżenia koni bydła
- Nożyczki groomerskie
- Nożyczki fryzjerskie
- Nożyczki krawieckie
- Obroże, Smycze, Szelki, Kagańce
- Odzież ochronna
- Oleje płyny do konserwacji narzędzi
- Ostrza, nasadki
- Ostrza do owiec alpak
- Ostrza do koni bydła
- Ręczniki
- Stoły, wysięgniki, maty, smycze
- Suszarki
- Wanny
- Polecane produkty dla
- Części do suszarki, ostrza, stoły
- Części do maszynek do strzyżenia
- Oferta specjalna
Producenci
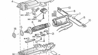
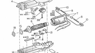
Śruba maszynki Clipmaster/Shermaster 044999
- Opis
- Opinie
Śruba maszynki firmy Oster Clipmaster oraz Sheramaster.
- Pozycja na schemacie Clipmaster nr: 15
- Pozycja na schemacie Shermaster nr: 15

